





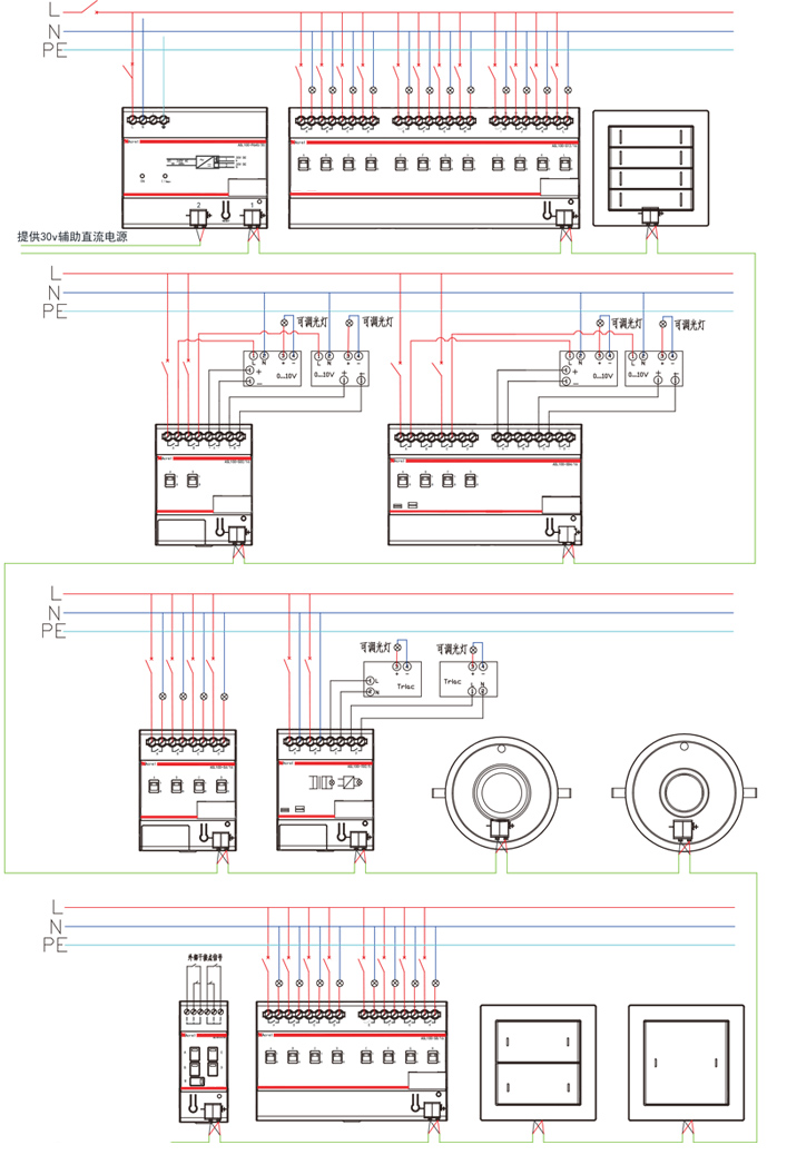
Acrel-BUS智能照明控制系統從功能上可以分為驅動器、傳感器和系統元件。各個元件通過專用Acrel-BUS總線以樹形、星形或線形的拓撲結構靈活組網。驅動器負責接收和處理傳感器傳送的信號,并執行相應...
立即咨詢Acrel-BUS智能照明控制系統從功能上可以分為驅動器、傳感器和系統元件。各個元件通過專用Acrel-BUS總線以樹形、星形或線形的拓撲結構靈活組網。驅動器負責接收和處理傳感器傳送的信號,并執行相應的操作,如開/ 關燈、調節燈的亮度。傳感器負責根據現場手動操作,或探測光線、溫度等的變化,向驅動器發出相應的控制信號。系統元件主要負責搭建系統平臺,如系統電源、線路耦合器、傳輸介質等。
辦公樓、商場、圖書館、會展中心等需要對照明進行智能控制的場合。
具體型號:ASL100-S4/16
技術要求:4回路開關驅動器,額定容量16A
通訊協議:KNX/EIB
輔助電源:DC30V