





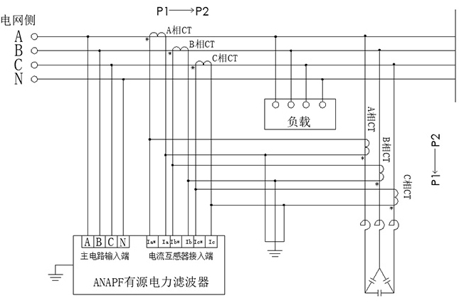
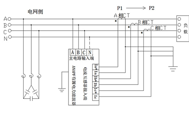
ANAPF系列有源電力濾波器通過電流互感器采集系統諧波電流,經控制器快速計算并提取各次諧波電流的含量,產生諧波電流指令,通過功率執行器件產生與諧波電流幅值相等方向相反的補償電流,并注入電力系統中,從而...
立即咨詢ANAPF系列有源電力濾波器通過電流互感器采集系統諧波電流,經控制器快速計算并提取各次諧波電流的含量,產生諧波電流指令,通過功率執行器件產生與諧波電流幅值相等方向相反的補償電流,并注入電力系統中,從而抵消非線性負載所產生的諧波電流。
適用于并聯在含諧波負載的低壓配電系統中,能夠對動態變化的諧波電流進行快速實時的跟蹤和補償。
具體型號:ANAPF150-380/BGL
技術要求:諧波補償電流150A,線電壓等級380V 。
接線方式:三相四線
安裝方式:立柜式
互感器接線方式:負載側