





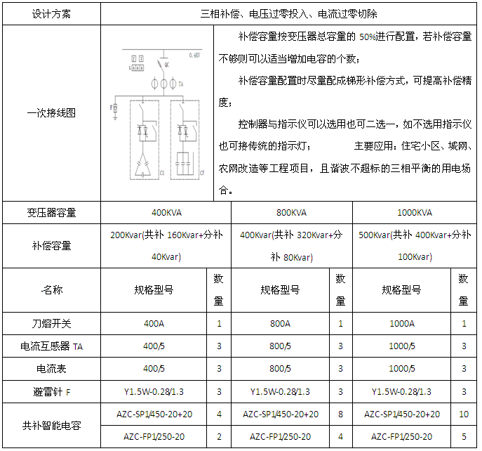
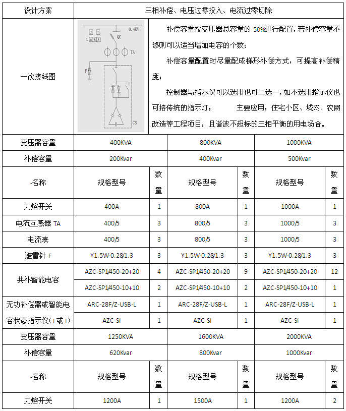
AZC系列智能電力電容補償裝置由智能測控單元、投切開關、線路保護單元、低壓電力電容器等構成,改變了傳統無功補償裝置體積龐大和笨重的結構模式,是用于節省能源、降低線損、提高功率因數和電能質量的新一代無功...
立即咨詢AZC系列智能電力電容補償裝置由智能測控單元、投切開關、線路保護單元、低壓電力電容器等構成,改變了傳統無功補償裝置體積龐大和笨重的結構模式,是用于節省能源、降低線損、提高功率因數和電能質量的新一代無功補償設備。
應用于0.4kV、50Hz低壓配電系統。
具體型號:AZC-SP1/450-10+10
技術要求:共補
通訊協議:無
輔助電源:無